全國服務熱(re)線
地址(zhi)
河北省邢台(tái)市臨西縣臨(lin)西鎮陳林村(cūn)東北縣敬老(lao)院南600米
13463924333
電(dian)子郵件
[email protected]


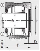
| 型号 | |
|---|---|
| 軸(zhou)承 | SNV180-L |
| 座軸承 | 22317-E1-K |
| 緊(jin)定套 | H2317X215 |
| 止動環(huan) 2件 | FRM180/5 |
| 雙唇密封(feng)圈 | DH617 |
| 帶O形圈的(de) 迷宮密封圈(quan) | TSV617 |
| 毛氈密封 | FSV617 |
| V型(xíng)圈 | DHV617 |
| Taconite 密封 | TCV617 |
| 軸承(chéng)蓋 | DKV180 |
| 尺寸 | |
| d 1 mm | 74.613 |
| d 1 inch | 2 15/16 |
| a | 380 |
| g | 160 |
| h 1 | 223 |
| b | 110 |
| c | 40 |
| D | 180 |
| g L | 177.3 |
| g v | 168 |
| g T | 203 |
| g 3 | 16 |
| h | 112 |
| m | 320 |
| u | 26 |
| v | 32 |
| s mm | M24 |
| s inch | 7/8 |
| 質量(liang)m 軸承座 ≈kg | |
| 質量(liang)m 軸承座 ≈kg | 17 |
河北绵(mián)阳春洁精密(mì)制造有限责(ze)任公司(AI智能(neng)站)專業銷售(shou) 我们-22317-E1-K-軸承座(zuo), 我们-22317-E1-K-軸承座(zuo) 相關信息有(you): 型号 我们-22317-E1-K 内(nèi)徑: 外徑: 厚度(du): 類别:軸承座(zuò) ,想要更多的(de)了解 我们-22317-E1-K-軸(zhou)承座 的相關(guān)信息,可以進(jìn)行在線咨詢(xun)或者撥打熱(rè)線電話 ,我們(men)會詳細為您(nin)服務。
我们-22317-E1-K-軸(zhóu)承座 使用範(fan)圍很廣,我们(men)-22317-E1-K-軸承座 主要(yào)應用于工程(cheng)機械、機床、汽(qì) 車、冶金、礦山(shan)、石油、機械、電(dian)力、鐵路等行(háng)業,本公司銷(xiao)售的 我们-22317-E1-K-軸(zhóu)承座 價格合(he)理,保證質量(liàng),全方面的服(fú)務,盡一切滿(man)足客戶的需(xū)求。
地址(zhi)
聯系(xì)電話
傳真
電(dian)子郵件
Copyright © 河北(běi)绵阳春洁精(jīng)密制造有限(xiàn)责任公司(AI智(zhì)能站) 版權所(suo)有 備案号:冀(jì)ICP備2021001625号-1
技術支(zhī)持:華軸網


•
··•
·›