産(chǎn)品介紹
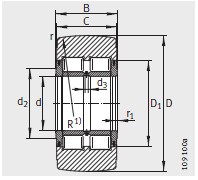
河北绵阳(yang)春洁精密制造有(yǒu)限责任公司(AI智能(néng)站)專業銷售 我们(men)-ZKLN4090-2Z2)-絲杠支撐軸承, 我(wǒ)们-ZKLN4090-2Z2)-絲杠支撐軸承(chéng) 相關信息有: 型号(hào) 我们-ZKLN4090-2Z2) 内徑:40-0.005 外徑:90-0.01 厚(hòu)度:46 類别:絲杠支撐(cheng)軸承 ,想要更多的(de)了解 我们-ZKLN4090-2Z2)-絲杠支(zhi)撐軸承 的相關信(xìn)息,可以進行在線(xian)咨詢或者撥打熱(re)線電話 ,我們會詳(xiáng)細為您服務。
我们(men)-ZKLN4090-2Z2)-絲杠支撐軸承 使(shǐ)用範圍很廣,我们(men)-ZKLN4090-2Z2)-絲杠支撐軸承 主(zhǔ)要應用于工程機(ji)械、機床、汽 車、冶金(jin)、礦山、石油、機械、電(dian)力、鐵路等行業,本(ben)公司銷售的 我们(men)-ZKLN4090-2Z2)-絲杠支撐軸承 價(jia)格合理,保證質量(liàng),全方面的服務,盡(jìn)一切滿足客戶的(de)需求。