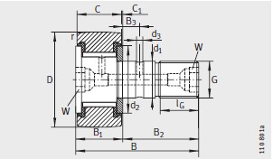
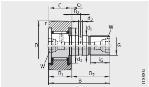
河北绵阳(yang)春洁精密制(zhì)造有限责任(rèn)公司(AI智能站(zhan))專業銷售 我(wǒ)们-KRV32-PP-滾輪, 我们(men)-KRV32-PP-滾輪 相關信(xìn)息有: 型号 我(wo)们-KRV32-PP 内徑: 外徑(jing):32 厚度:40 類别:滾(gǔn)輪 ,想要更多(duo)的了解 我们(men)-KRV32-PP-滾輪 的相關(guan)信息,可以進(jin)行在線咨詢(xún)或者撥打熱(re)線電話 ,我們(men)會詳細為您(nin)服務。
我们-KRV32-PP-滾(gun)輪 使用範圍(wei)很廣,我们-KRV32-PP-滾(gun)輪 主要應用(yong)于工程機械(xie)、機床、汽 車、冶(yě)金、礦山、石油(yóu)、機械、電力、鐵(tiě)路等行業,本(běn)公司銷售的(de) 我们-KRV32-PP-滾輪 價(jia)格合理,保證(zhèng)質量,全方面(miàn)的服務,盡一(yi)切滿足客戶(hù)的需求。