全國服務熱線



| 尺寸(cun)mm | |
|---|---|
| d | 80 |
| D | 125 |
| B | 54 |
| C | 27 |
| d 1 | 110 |
| B 1 | 13.5 |
| r min | 1.1 |
| r 1 min | 0.3 |
| d s | 3.2 |
| n s | 6.5 |
| 安裝尺寸mm | |
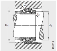
| d a h12 | 98.5 |
| D a H12 | 117 |
| r a max | 1 |
| r a1 max | 0.3 |
| 基本額(é)定載荷N | |
| 動載荷 C a | 56000 |
| 靜(jìng)載荷 C oa | 175000 |
| 極限轉速 | |
| n G 脂(zhī) min –1 | 4500 |
| n G 油 min –1 | 6000 |
| 型号 | |
| 型号 | 234416-M-SP |
| 質量(liang)m ≈kg | |
| 質量m ≈kg | 1.79 |
| 疲勞極限載(zǎi)荷 C ua N | |
| 疲勞極限載荷(he) C ua N | 15500 |
河北绵(mián)阳春洁精密制造(zao)有限责任公司(AI智(zhi)能站)專業銷售 我(wǒ)们-234416-M-SP-雙向推力角接(jie)觸球軸承, 我们-234416-M-SP-雙(shuāng)向推力角接觸球(qiú)軸承 相關信息有(you): 型号 我们-234416-M-SP 内徑:80 外(wai)徑:125 厚度:54 類别:雙向(xiàng)推力角接觸球軸(zhóu)承 ,想要更多的了(le)解 我们-234416-M-SP-雙向推力(lì)角接觸球軸承 的(de)相關信息,可以進(jìn)行在線咨詢或者(zhe)撥打熱線電話 ,我(wo)們會詳細為您服(fú)務。
我们-234416-M-SP-雙向推力(lì)角接觸球軸承 使(shǐ)用範圍很廣,我们(men)-234416-M-SP-雙向推力角接觸(chù)球軸承 主要應用(yong)于工程機械、機床(chuáng)、汽 車、冶金、礦山、石(shi)油、機械、電力、鐵路(lu)等行業,本公司銷(xiāo)售的 我们-234416-M-SP-雙向推(tui)力角接觸球軸承(chéng) 價格合理,保證質(zhi)量,全方面的服務(wu),盡一切滿足客戶(hu)的需求。
地(dì)址
聯系電話(hua)
傳真
電子郵件
Copyright © 河北绵阳春洁(jie)精密制造有限责(zé)任公司(AI智能站) 版(ban)權所有 備案号:冀(jì)ICP備2021001625号-1
技術支持:華(hua)軸網


•·
•·•


