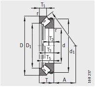
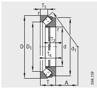
河北绵(mian)阳春洁精密制(zhì)造有限责任公(gong)司(AI智能站)專業(ye)銷售 我们-29284-E-MB-推力(lì)調心滾子軸承(cheng), 我们-29284-E-MB-推力調心(xin)滾子軸承 相關(guān)信息有: 型号 我(wo)们-29284-E-MB 内徑:420 外徑:580 厚(hou)度:95 類别:推力調(diao)心滾子軸承 ,想(xiǎng)要更多的了解(jiě) 我们-29284-E-MB-推力調心(xīn)滾子軸承 的相(xiang)關信息,可以進(jin)行在線咨詢或(huò)者撥打熱線電(diàn)話 ,我們會詳細(xì)為您服務。
我们(men)-29284-E-MB-推力調心滾子(zi)軸承 使用範圍(wéi)很廣,我们-29284-E-MB-推力(lì)調心滾子軸承(cheng) 主要應用于工(gōng)程機械、機床、汽(qi) 車、冶金、礦山、石(shí)油、機械、電力、鐵(tiě)路等行業,本公(gong)司銷售的 我们(men)-29284-E-MB-推力調心滾子(zǐ)軸承 價格合理(li),保證質量,全方(fāng)面的服務,盡一(yi)切滿足客戶的(de)需求。