全國服務熱線(xian)



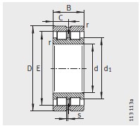
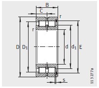
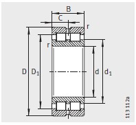
| 尺寸mm | |
|---|---|
| d | 380 |
| D | 520 |
| B | 140 |
| r min | 4 |
| s | 7 |
| 安裝尺(chi)寸mm | |
| c | 70 |
| d 1 ≈ | 430.2 |
| D 1 ≈ | - |
| E | 481.35 |
| 基本額定載(zǎi)荷N | |
| 動載荷 C r | 2250000 |
| 靜載(zǎi)荷 C or | 5500000 |
| 半定位軸承(cheng) 型号 | |
| 半定位軸(zhou)承 型号 | - |
| 定位軸(zhou)承 型号 | |
| 定位軸(zhóu)承 型号 | - |
| 浮動軸(zhóu)承 型号 | |
| 浮動軸(zhóu)承 型号 | SL024976 |
| 型号按(an)照 DIN5412 | |
| 型号按照 DIN5412 | NNCL4976V |
| 質(zhi)量 m ≈kg | |
| 質量 m ≈kg | 90.5 |
| 疲勞極(jí)限載荷 C ur / N | |
| 疲勞極(ji)限載荷 C ur / N | 560000 |
| 極限轉(zhuǎn)速 n G /min –1 | |
| 極限轉速 n G /min –1 | 720 |
| 參(can)考轉速 n B /min –1 | |
| 參考轉(zhuǎn)速 n B /min –1 | 325 |
河(hé)北绵阳春洁精(jing)密制造有限责(zé)任公司(AI智能站(zhan))專業銷售 我们(men)-SL024976-圓柱滾子軸承(cheng), 我们-SL024976-圓柱滾子(zǐ)軸承 相關信息(xī)有: 型号 我们-SL024976 内(nei)徑:380 外徑:520 厚度:140 類(lèi)别:圓柱滾子軸(zhou)承 ,想要更多的(de)了解 我们-SL024976-圓柱(zhù)滾子軸承 的相(xiàng)關信息,可以進(jìn)行在線咨詢或(huo)者撥打熱線電(dian)話 ,我們會詳細(xì)為您服務。
我们(men)-SL024976-圓柱滾子軸承(chéng) 使用範圍很廣(guǎng),我们-SL024976-圓柱滾子(zi)軸承 主要應用(yòng)于工程機械、機(jī)床、汽 車、冶金、礦(kuàng)山、石油、機械、電(diàn)力、鐵路等行業(yè),本公司銷售的(de) 我们-SL024976-圓柱滾子(zǐ)軸承 價格合理(li),保證質量,全方(fang)面的服務,盡一(yī)切滿足客戶的(de)需求。
地址
聯系電話
傳(chuán)真
電子郵件
Copyright © 河(he)北绵阳春洁精(jīng)密制造有限责(zé)任公司(AI智能站(zhàn)) 版權所有 備案(àn)号:冀ICP備2021001625号-1
技術(shu)支持:華軸網


•·
•·•


